×
Escanea el Codigo con tu Telefono
o da click en el icono para abrir Whatsapp Web
Contacto
WhatsApp
9818114846
Inicio
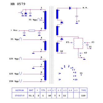
-A3-FLYBACK = HR8579
$429
MXN
Precio en Pesos Mexicanos
Existencia:
0
Código:
8-598-834-20