×
Escanea el Codigo con tu Telefono
o da click en el icono para abrir Whatsapp Web
Contacto
WhatsApp
9818114846
Inicio
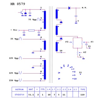
8-598-834-00
$231
MXN
Precio en Pesos Mexicanos
Existencia:
0
Código:
859883400
FLYBACK PARA TV SONY =HR8579 REP