×
Escanea el Codigo con tu Telefono
o da click en el icono para abrir Whatsapp Web
Contacto
WhatsApp
9818114846
Inicio
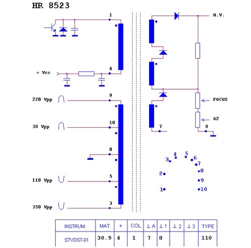
FFA64027M
$272
MXN
Precio en Pesos Mexicanos
Existencia:
0
Código:
FFA64027M
FLYBACK GENERICO FFA64027M = HR8523